欢迎访问丹东中晨数控设备有限公司!

通用banner
您当前的位置 : 首 页 > 平顶山SLD数控刀架
平顶山立式六工位刀架

平顶山立式六工位刀架

  • 所属分类:平顶山SLD数控刀架
  • 浏览次数:
  • 发布日期:2019-12-24
  • 产品概述
  • 性能特点
  • 技术参数

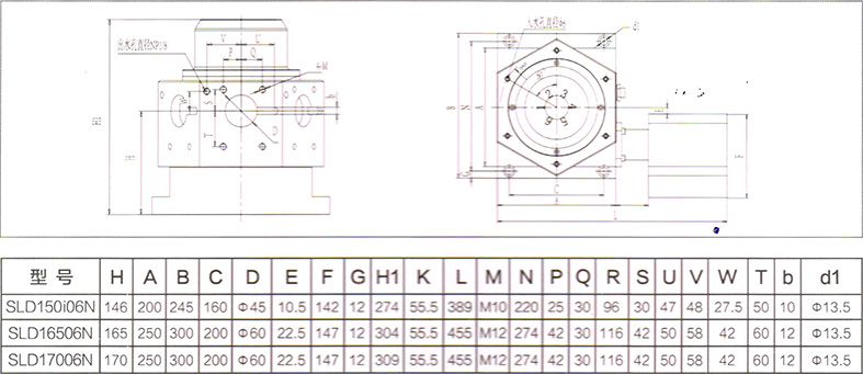
SLD-i系列立式六工位刀架除具有SLD系列刀架所特点外,工作灵活,高效,可装卡各种端面、镗孔、外圆刀夹等,特别适合复杂零件加工,如刹车盘、轮毂及阀门等工件。


SLD-i数控刀架和齿盘的数据.jpg


2主要技术数据.jpg



2主要技术数据.jpg

标签

上一篇:SLD立式电动数控刀架2020-01-03
下一篇:没有了

最近浏览:

相关产品

相关新闻